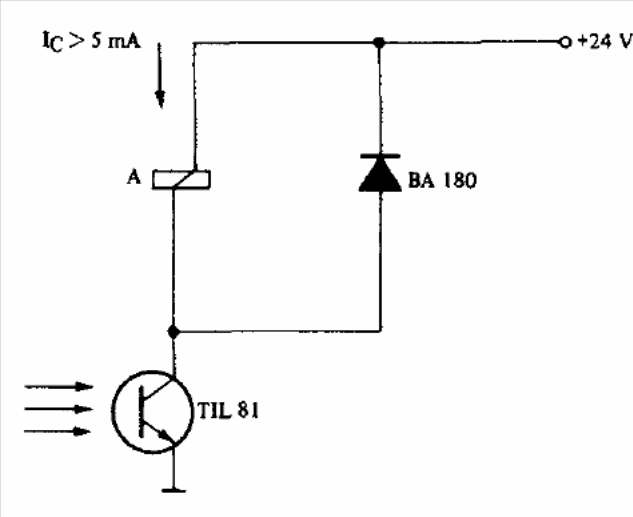
This circuit makes use of a sensitive 5 mA reed-relay to be driven directly by a phototransistor. The phototransistor can be replaced by an equivalent. The configuration is from a Texas Instruments optoelectronics manual.

This circuit makes use of a sensitive 5 mA reed-relay to be driven directly by a phototransistor. The phototransistor can be replaced by an equivalent. The configuration is from a Texas Instruments optoelectronics manual.
