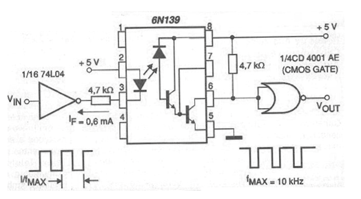
In the figure we have a interfacing circuit of TTL logic as CMOS logic using a 6N139 optical coupler powered with a voltage of 5 V. The operating current is in the order of 0.5 mA and the maximum data transfer frequency is 10 kHz.

In the figure we have a interfacing circuit of TTL logic as CMOS logic using a 6N139 optical coupler powered with a voltage of 5 V. The operating current is in the order of 0.5 mA and the maximum data transfer frequency is 10 kHz.
