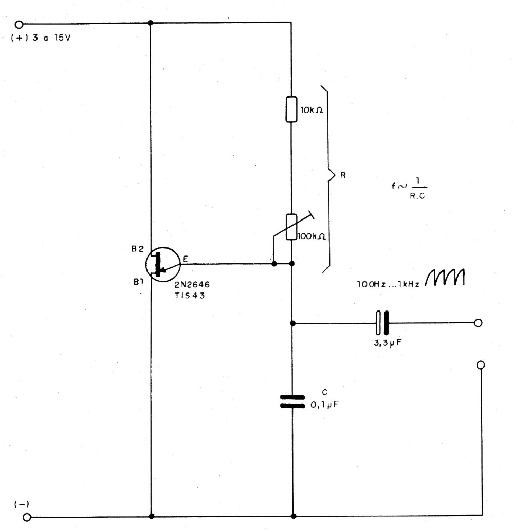
This circuit, found in 1993 documentation, is the traditional relaxation oscillator configuration with unijunction transistor. The frequency depends on C and the resistance value R.
This circuit, which may have other applications, trips a load if the voltage on the telephone line...
This UHV generator circuit or ultra-high voltage was found in a 90s Electronic Engineering 90s. The triac...
This circuit is from an old American documentation from the 70s. Transistor 2N3904 can be replaced by...