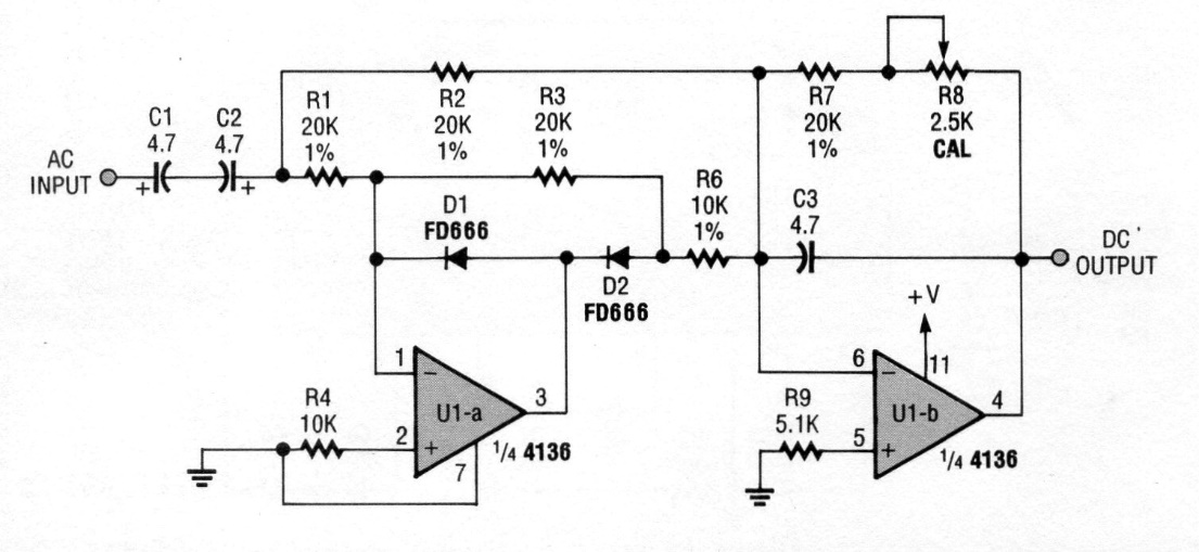
Full Wave Rectifier with Precision Filter (CB14936E)
Details
Written by: Newton C. Braga
This circuit is from documentation from the 80's. The double amplifier used is like to the 741 and can be replaced. The circuit must be powered by a symmetrical source.