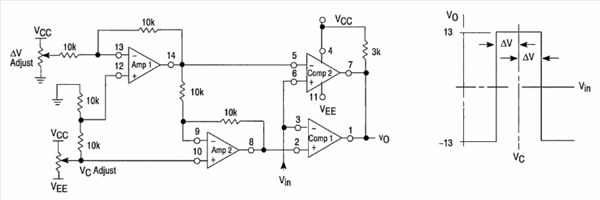
This circuit makes use of comparators and common operational amplifiers, having been found in Motorola Linear Interface ICs of 1993. The circuit requires symmetrical source.
This circuit produces a single pulse whose duration depends on the capacitor. The circuit is from an...
This circuit shows how a simple one-transistor stage can be used to Power high current loads from...
Using the well-known CK722 and also the CK721, this signal follower or tracer was found in Radio...