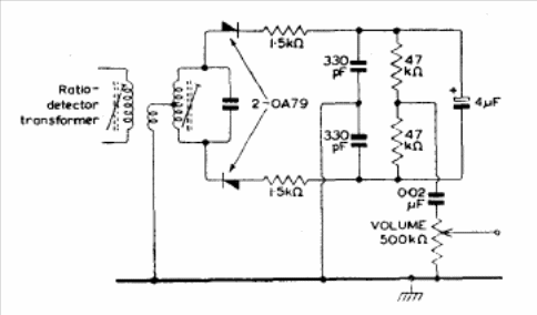
This circuit is from an old Mullard transistor manual. The diodes are made of germanium and the coil is tuned to the video FI frequency of the old analog receiver.

This circuit is from an old Mullard transistor manual. The diodes are made of germanium and the coil is tuned to the video FI frequency of the old analog receiver.
