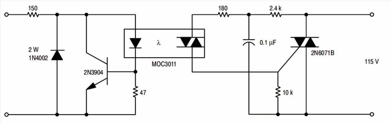
This circuit uses an optocoupler to obtain a solid state relay whose power depends on the Triac used. TIC series triacs can be used and with coupler equivalents the circuit can operate on the 220 V network. The circuit is from the On Semiconductor thyristor manual.




