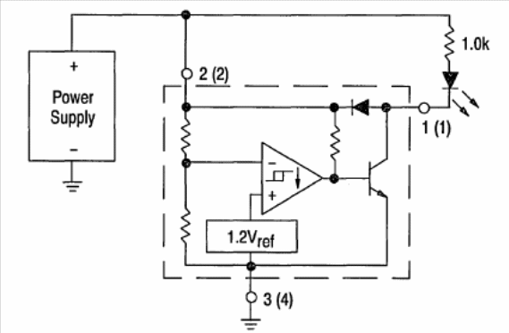
The MC33064 can also be used on this circuit of Motorola's 1993 Linear Interface ICs. The circuit used is not common today and the indicator is an LED. The monitored voltage is 5 V.

The MC33064 can also be used on this circuit of Motorola's 1993 Linear Interface ICs. The circuit used is not common today and the indicator is an LED. The monitored voltage is 5 V.
