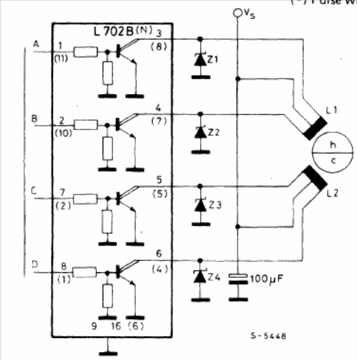
The integrated circuit used consists of an array of Darlington transistors for currents up to 3 A. In the figure we have the way to control a 4-phase stepper motor. The circuit is from the 1982 SGS linear integrated circuit manual. We can use this circuit as a shield for microcontrollers.




