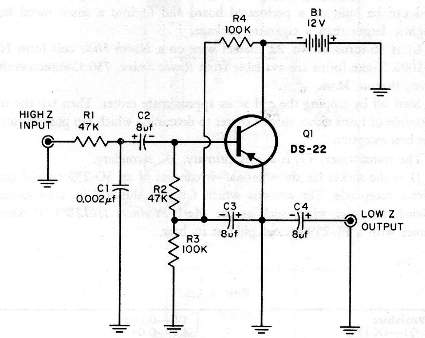
This circuit allows the use of high impedance microphones in an amplifier that has a low impedance input. The circuit is from a 1964 publication and the transistor may be the BC558. The circuit can also be powered by a 9 V battery.
This circuit allows the use of high impedance microphones in an amplifier that has a low impedance input. The circuit is from a 1964 publication and the transistor may be the BC558. The circuit can also be powered by a 9 V battery.