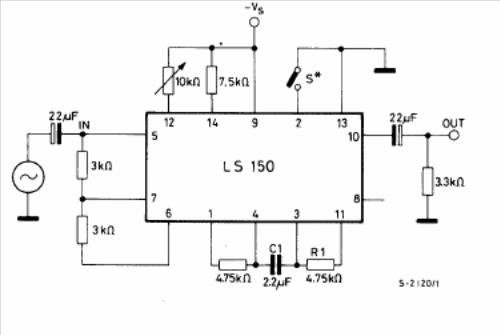
The integrated circuit used is not common today and the voltage gain is unitary. The circuit is from the 1982 SGS Linear Integrated Circuits Manual. The power can be supplied with voltages from 9 to 12 V.

The integrated circuit used is not common today and the voltage gain is unitary. The circuit is from the 1982 SGS Linear Integrated Circuits Manual. The power can be supplied with voltages from 9 to 12 V.
