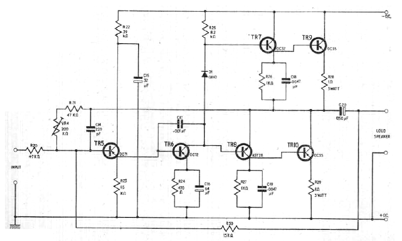
This amplifier is powered by a 9 V source. We found the circuit in a 1964 documentation. The transistors are made of germanium and modern transistors can be used with modifications to the bias components.
This amplifier is powered by a 9 V source. We found the circuit in a 1964 documentation. The transistors are made of germanium and modern transistors can be used with modifications to the bias components.