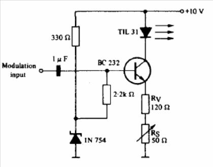
The presented circuit can use an equivalent transistor like the BC548. The configuration, which [is an idea for transmitting an optical audio link, was obtained in a Texas Instruments optoelectronics manual.

The presented circuit can use an equivalent transistor like the BC548. The configuration, which [is an idea for transmitting an optical audio link, was obtained in a Texas Instruments optoelectronics manual.
