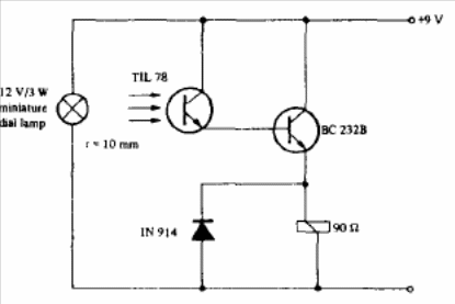
The recommended distance between the emitter and the phototransistor is 10 mm for this configuration. The circuit is suggested by the Texas Instruments opto-electronics manual. The relay must be according to the circuit supply.

The recommended distance between the emitter and the phototransistor is 10 mm for this configuration. The circuit is suggested by the Texas Instruments opto-electronics manual. The relay must be according to the circuit supply.
