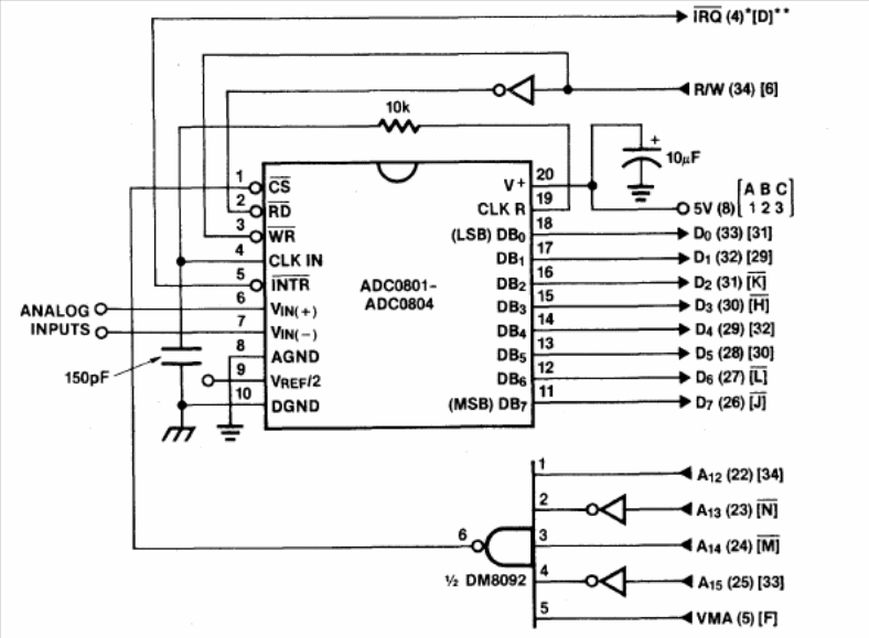
This interface shield circuit is from the 1983 Intersil Databook. The components used are uncommon today. ADCs are low-cost digital converters. The power source voltage must be 5 V.
The TDA2613 is the mono version of the TDA1521A and has pinouts compatible with an integrated...
This circuit from an old 1978 publication uses germanium transistors but can be implemented with...
This project shows how to use an SCR in a starter circuit for a common fluorescent lamp. The SCR...