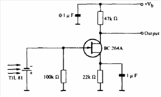
The selected circuit in the Texas Instruments opto-electronics manual works with photoelectric sensors in voltage generator mode. The FET can be equivalent to the BF245 and the voltage can be between 9 and 15 V.

The selected circuit in the Texas Instruments opto-electronics manual works with photoelectric sensors in voltage generator mode. The FET can be equivalent to the BF245 and the voltage can be between 9 and 15 V.
