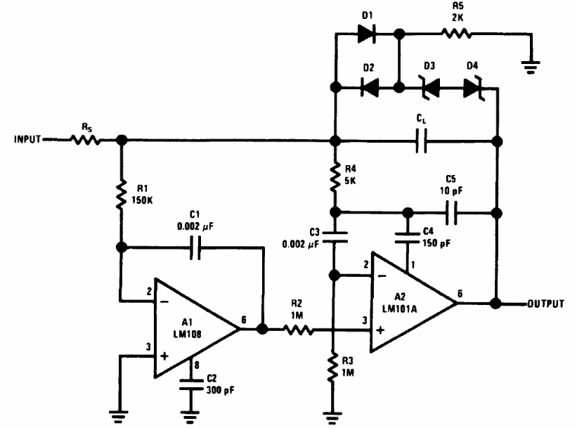
The configuration shown is from the 1994 Linear Applications Handbook, published by National Semiconductor. The circuit can be implemented with current operational amplifiers and the zeners determine the amplitude of the output signal. The power supply must be symmetrical.




