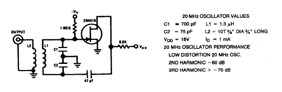
This stable 20 MHz oscillator was suggested by the National Semiconductor's Linear Applications Handbook from 1994. The FET can be of a common type like the BF245. Details of the components, mainly the coil are given on the side.

This stable 20 MHz oscillator was suggested by the National Semiconductor's Linear Applications Handbook from 1994. The FET can be of a common type like the BF245. Details of the components, mainly the coil are given on the side.
