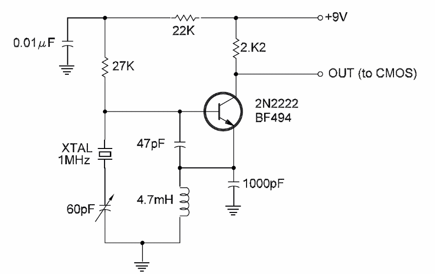
The circuit output shown is compatible with CMOS technology. The transistor is 2N2222 and the supply voltage must be made according to the logic voltage to be excited. The circuit is from Newton C. Braga's CMOS Sourcebook, published in the United States.




