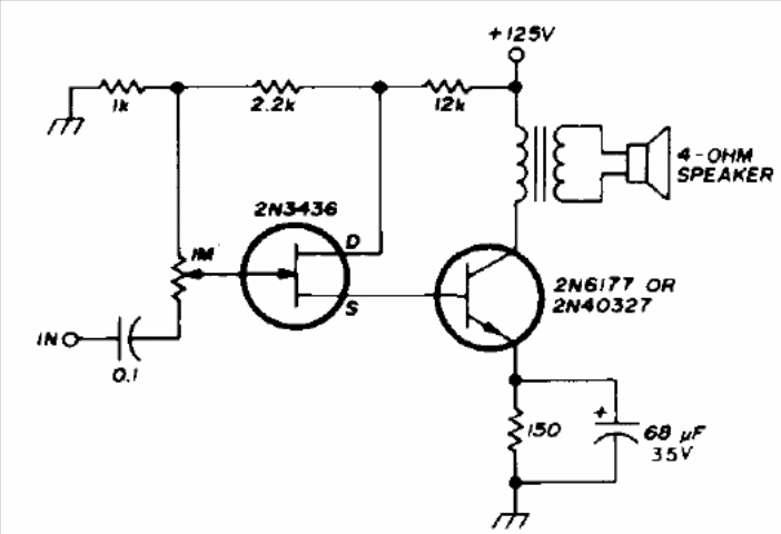
This audio step operates directly with the 110 V mains voltage rectified and reduced. The output transistor has no equivalent, and the transformer is an output type for tube receivers. The circuit is from 1976 documentation for radio amateurs.
This audio step operates directly with the 110 V mains voltage rectified and reduced. The output transistor has no equivalent, and the transformer is an output type for tube receivers. The circuit is from 1976 documentation for radio amateurs.