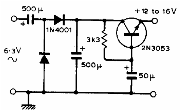
This simple converter does not use a transformer and the transistor can be the BD135 for currents up to about 100 mA. The circuit is from 1975 documentation. The diodes can also be 1N4002 or 1N4004.

This simple converter does not use a transformer and the transistor can be the BD135 for currents up to about 100 mA. The circuit is from 1975 documentation. The diodes can also be 1N4002 or 1N4004.
