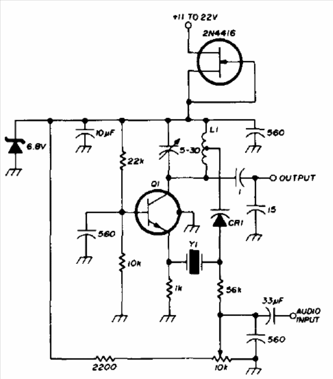
This circuit was obtained in a documentation for radio amateurs from 1975. With it we can use a crystal to generate twice its frequency, at frequencies up to about 70 MHz. The bipolar transistor can be the 2N2222 and the FET a BF245 or MPF102. The circuit can serve as a basis for transmitter designs.




