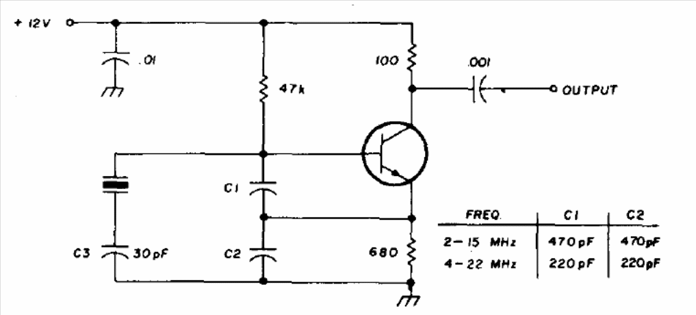
This oscillator, from a 1978 amateur radio manual, can oscillate in frequencies from 2 to 22 MHz in fundamental mode. The components have value changes according to the range according to the table in the diagram. The transistor can be BF494 or 2N2222. The circuit is of low power and must excite amplification stages in the case of a power transmitter.




