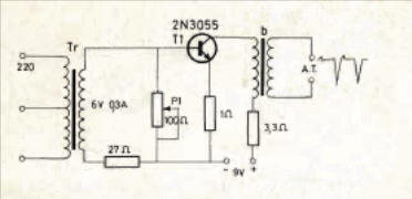
This circuit was found in an Italian publication in 1975. The transistor must have a heat radiator. The high voltage transformer can be a fly-back or even an ignition coil. The TR transformer can have voltages from 6 to 9 V with currents from 300 mA to 800 mA.




