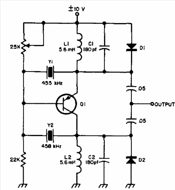
The circuit presented, from a documentation for radio amateurs from 1974, generates two different frequencies, depending on the crystals used. The transistor can be 2N2222 or BF494. The low intensity signal can be used to excite higher power stages in transmitters.




