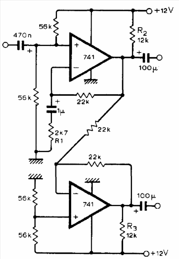
This circuit was found in a 1975 documentation. Operational amplifiers must have a symmetrical source and the frequency response ranges from 10 to 20 000 Hz. The gain is 20 dB and other operational amplifiers can be used.

This circuit was found in a 1975 documentation. Operational amplifiers must have a symmetrical source and the frequency response ranges from 10 to 20 000 Hz. The gain is 20 dB and other operational amplifiers can be used.
