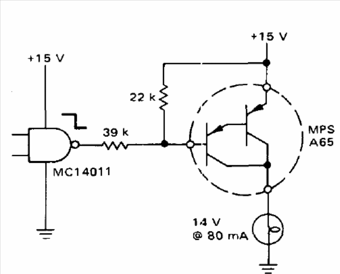
This circuit, from a 1975 Motorola manual, uses a power Darlington transistor of the time. We can design the same circuit with a more modern Darlington PNP, like the ones in the TIP series. The transistor current determines the maximum load that can be controlled.




