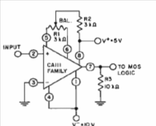
This Zero Crossing Detector was found in a 1972 RCA manual, but it can be made using any modern voltage comparator. The circuit can directly excite CMOS logic. The power supply must be symmetrical.

This Zero Crossing Detector was found in a 1972 RCA manual, but it can be made using any modern voltage comparator. The circuit can directly excite CMOS logic. The power supply must be symmetrical.
