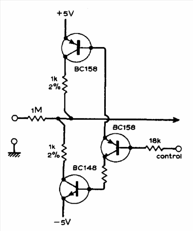
The transistors on this 1975 circuit can be BC548 and BC558. The circuit uses a symmetrical source and works in a similar way to CMOS 4066 switches, but with bipolar transistors. With the control voltage, an audio signal can be blocked or allowed to pass.




