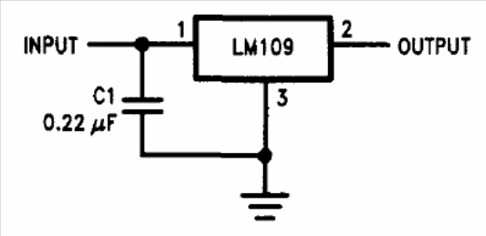
This is the basic configuration for a 5 V output with a maximum current of 5 A with the National Semiconductor 3-terminal regulator. The circuit is from a National technical manual.

This is the basic configuration for a 5 V output with a maximum current of 5 A with the National Semiconductor 3-terminal regulator. The circuit is from a National technical manual.
