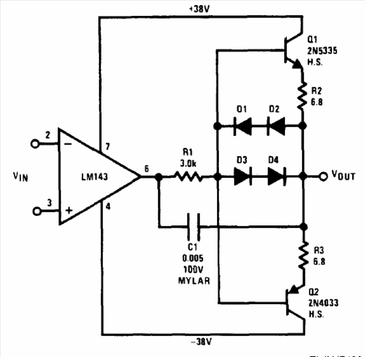
The National Semiconductor LM143 integrated circuit consists of a high voltage operational amplifier. Transistors can be high voltage equivalents. The circuit was suggested by the 1994 Linear Applications Handbook.
The National Semiconductor LM143 integrated circuit consists of a high voltage operational amplifier. Transistors can be high voltage equivalents. The circuit was suggested by the 1994 Linear Applications Handbook.