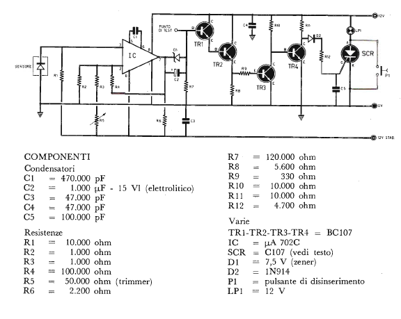
This circuit was found in an Italian magazine Elettronica Prática of 1977. The transistors can be the BC548 and the integrated circuit the 741. The sensor consists of a photodiode with sensitivity for infrared. The SCR can be the TIC106. The other components of the project are common, and the supply must be made with 9 or 12 V according to the controlled load (warning system).




