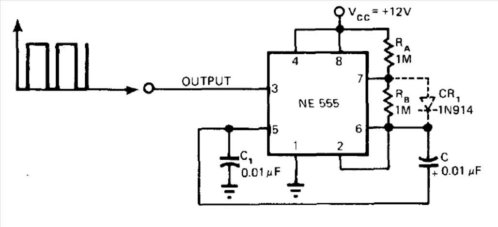
The purpose of this modified astable is to make the initial pulses have the same duration as the following pulses in the astable operation, which does not happen with the common configuration. The circuit is from a 1978 documentation. With 5 V of supply the circuit can be used in micro controlled applications.




