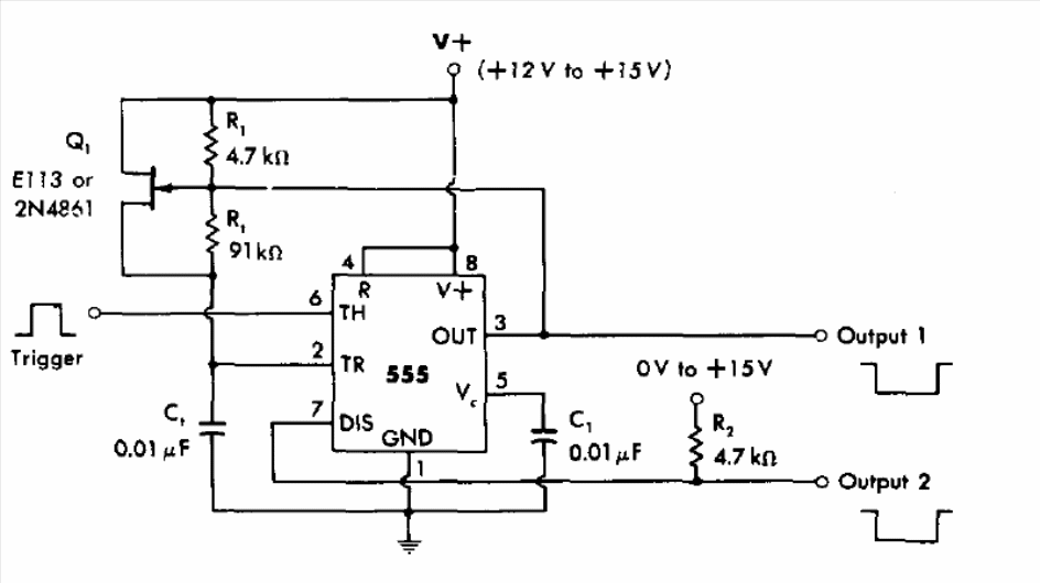
This circuit was found in a 1977 timer cookbook. The circuit can generate signals with up to 99% active cycle. The FET can be BF245 or MPF102 and the basic frequency given by R1, R2 and C1.
This circuit is suggested by National Semiconductor and makes use of the negative regulator LM2990...
This circuit was found in a 90s Radio Electronics. MOSFETs must have excellent heat sinks and heat and...
An oscillator slightly different from the previous one also appeared in Radio Electronics magazine in...