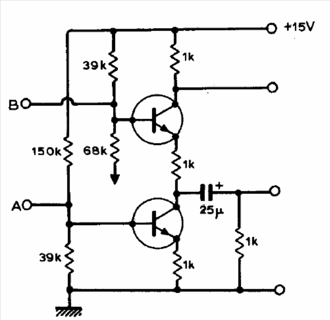
The circuit transistors, found in a 1974 documentation, may be the BC548. The circuit is used in quadriphonic systems to combine signals.
This small power supply for low currents (5mA) is suitable for power low-power TTL experimental circuits....
This timer controls two relays, each with a different timing, activated separately. The circuit is from...
This type of circuit, found in American documentation from the 1980s, triggers producing output...