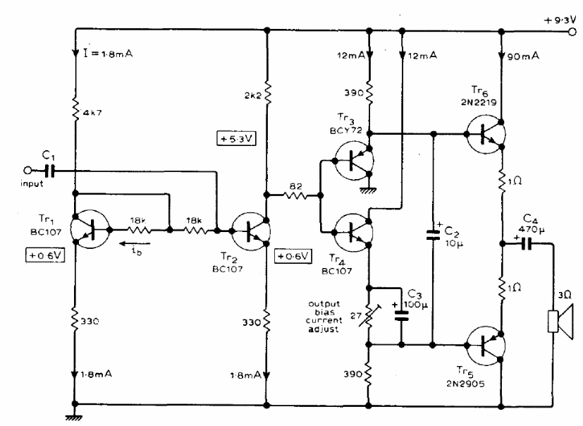
This circuit was suggested in a 1976 documentation. We can use the pair BD135 and BD136 on the output and for the others we can use BC547 instead of BC107 and BC557 instead of BCY70. The power comes from a 9 V source with at least 200 mA.
This circuit was suggested in a 1976 documentation. We can use the pair BD135 and BD136 on the output and for the others we can use BC547 instead of BC107 and BC557 instead of BCY70. The power comes from a 9 V source with at least 200 mA.