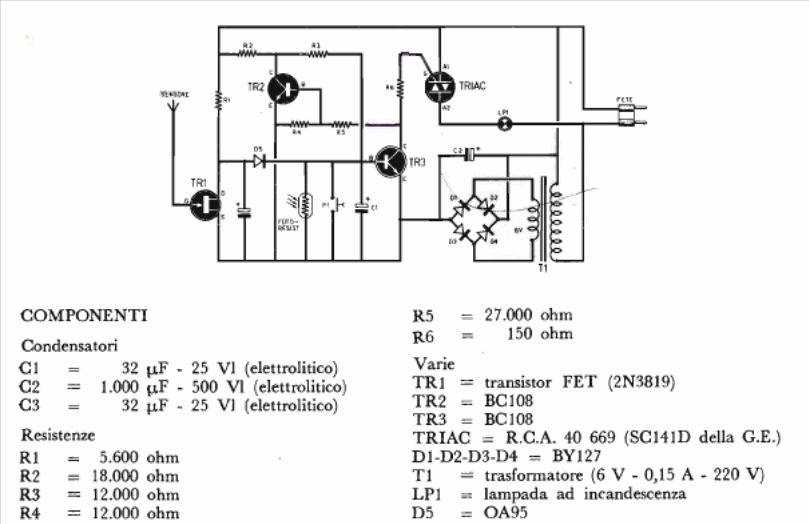
The circuit presented is from a 1977 Italian magazine (Elettronica Pratica). We can mount it with BC548 transistors and the triac can be any of the TIC series. The rectifier diodes can be 1N4002 and FET or BF245. The antena wire must not be long.
The circuit presented is from a 1977 Italian magazine (Elettronica Pratica). We can mount it with BC548 transistors and the triac can be any of the TIC series. The rectifier diodes can be 1N4002 and FET or BF245. The antena wire must not be long.