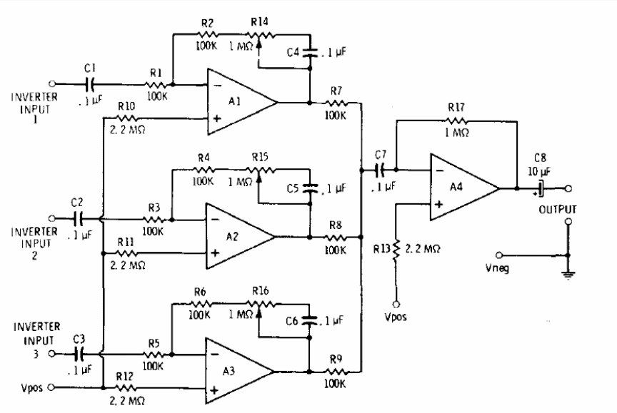
This 1975 documentation circuit must use a 6 to 9 V symmetrical source and the signal cables must be shielded. More channels can be added, and the gain is adjustable from 1 to 10. The input impedance is in the order of 100 k ohms. Note that the gain of each channel is controlled in the feedback of the operational amplifiers.




