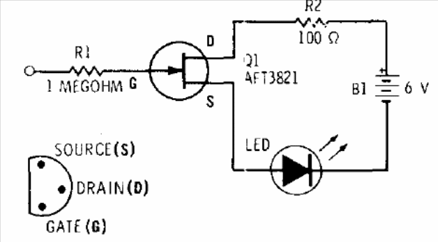
This very sensitive circuit works almost like an electroscope. The FET can be the BF245 and it will be convenient to have a ground connection on the battery negative for logical tests. The circuit is from an 1974 Radio Shack documentation.

This very sensitive circuit works almost like an electroscope. The FET can be the BF245 and it will be convenient to have a ground connection on the battery negative for logical tests. The circuit is from an 1974 Radio Shack documentation.
