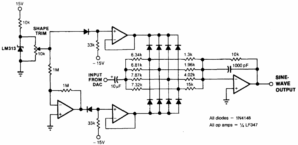
The presented circuit has a stabilization with the LM313. The components used are uncommon, such as the integrated circuit, which can be replaced by an equivalent. The circuit is from the 1994 Linear Applications Handbook by National Semiconductor.
The presented circuit has a stabilization with the LM313. The components used are uncommon, such as the integrated circuit, which can be replaced by an equivalent. The circuit is from the 1994 Linear Applications Handbook by National Semiconductor.