We found this circuit in documentation from National Semiconductor. For the medium wave range the coil consists of 50 + 50 turns of wire 28 in a ferrite rod.
The circuit shown is suggested by National Semiconductor's Linear Applications Handbook. The base...
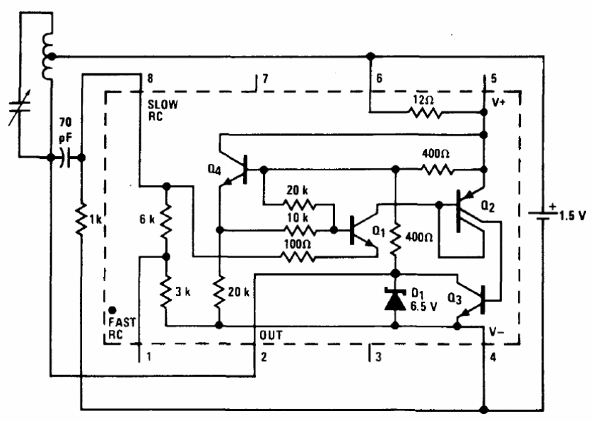
This circuit uses a pickup coil to take the signal from a telephone line without contacts. The circuit...
In this circuit, the transistors are NPN for general use and the phototransistors can be replaced by...