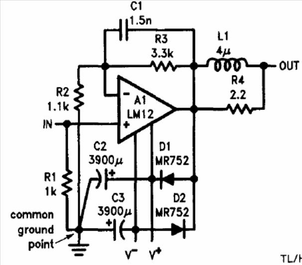
This high-power amplifier with a single operating LM12 (difficult to obtain) is from the Linear Applications Handbook by National Semiconductor. The circuit uses a 40 V symmetrical power supply.

This high-power amplifier with a single operating LM12 (difficult to obtain) is from the Linear Applications Handbook by National Semiconductor. The circuit uses a 40 V symmetrical power supply.
