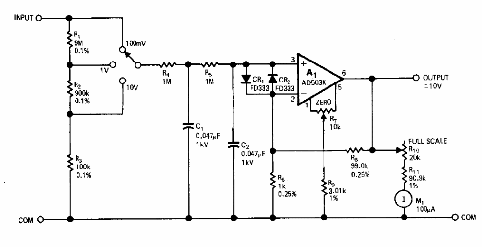
This circuit was found in an old publication from 1971. A 741 can be used in place of the original operational amplifier. The input resistance of the circuit is very high. An instrument with a larger scale can be used by changing R10.
This circuit was found in an old publication from 1971. A 741 can be used in place of the original operational amplifier. The input resistance of the circuit is very high. An instrument with a larger scale can be used by changing R10.