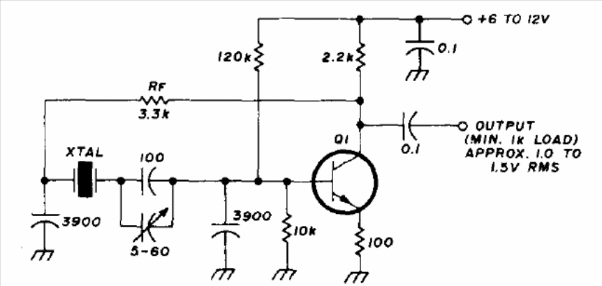
We found this oscillator in a 1979 amateur radio documentation. The circuit can use transistors like the BC548, BF494 and others. The frequency depends on the crystal. The signal is of low intensity and has an amplitude of 1 to 1.5 V as indicated in the diagram.




