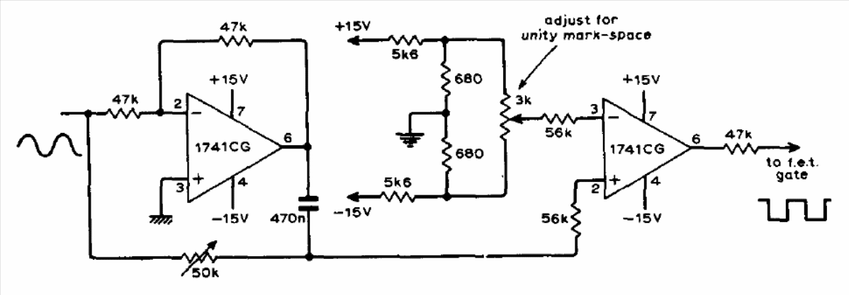
This circuit, in addition to transforming a sinusoidal signal into a square, shifts its phase. The circuit must be powered by a symmetrical source. We found this configuration in a 1973 technical documentation. The input signal must be of low intensity. Consumption is low and the output signal is high impedance.




