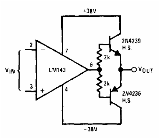
This configuration, from a 1976 National Semiconductor manual, shows how to implement a power output to an operational one, which can be of any type. The transistors can be BD135 and BD136 or TIP31 and TIP32. The power supply must be symmetrical with voltage according to the operational and the application.




