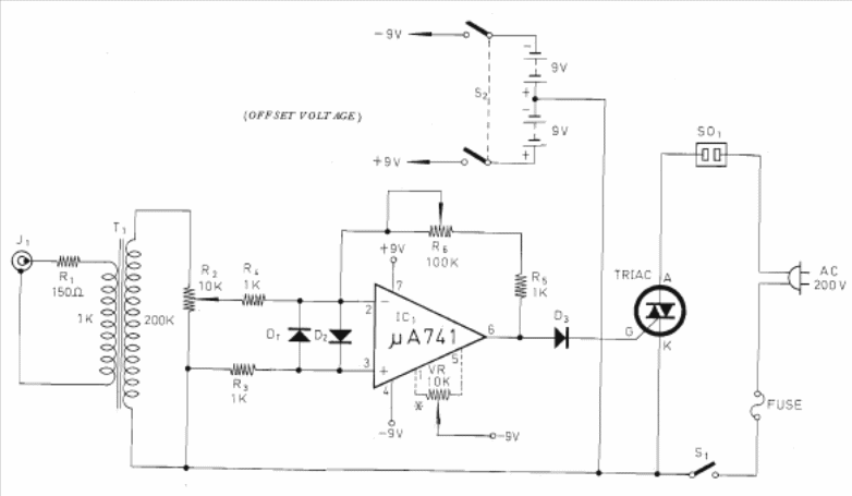
The circuit shown below was obtained from an Italian magazine Sperimentare from 1977. All components are common, and the input transformer can be a power transformer with 110 V primary and 6 to 12 V secondary and 200 mA to 800 current. mA that will be connected to R1. The triac can be any of the ICT series.




