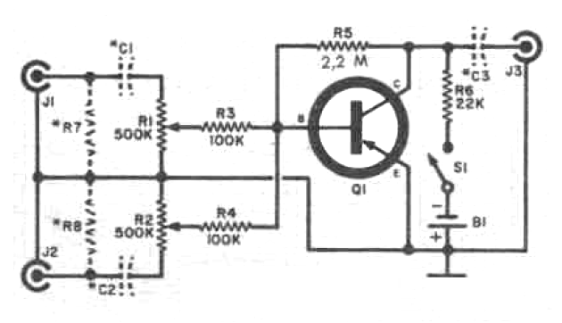
We found this traditional configuration in an Italian 1960 documentation. The transistor can be any PNP for general use and the supply is made with voltages from 6 to 9 V. The components marked with asterisks are optional. More input channels can be added.




