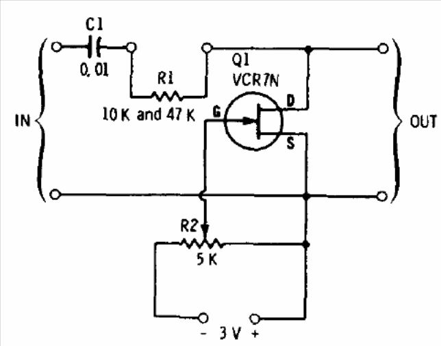
We found this circuit in an old American publication from 1975. It can use almost any common FET like the BF245. The circuit attenuates audio signals from a voltage control. The circuit can be used as an electronic potentiometer.
We found this circuit in an old American publication from 1975. It can use almost any common FET like the BF245. The circuit attenuates audio signals from a voltage control. The circuit can be used as an electronic potentiometer.