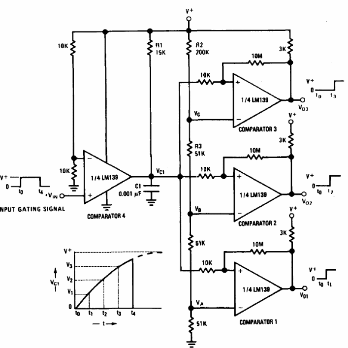
The circuit shown in the figure is based on the four comparators of the LM139 or series equivalent. The delay times are given by the comparators and the capacitor C1 sequentially. The feeding need not be symmetrical. The circuit is from the 1994 Linear Applications Handbook by National Semiconductor.




